新聞中心
產品中心
聯系我們
深圳市東么川伺服控制技術有限公司
電話:13316379101
郵箱:1355229533@qq.com
地址:深圳市龍華區民治街道樟坑社區青創城A棟B502
中空軸減速電機說明書、技術參數
發布時間:2020-08-19 09:23:56
型號: K9LH100N2
名稱: BLDC中空軸減速電機
名稱: BLDC中空軸減速電機

|
產品名稱 |
齒輪類型 | K6LH30N2 | K8LH50N2 | K9LH100N2 |
| D-CUT類型 | K6LS30N2 | K8LS50N2 | K9LS100N2 | |
| 額定輸出(連續)W | 30 | 50 | 100 | |
|
電源輸入
|
額定電壓V | DC24 | ||
| 電壓公差范圍 | ±10% | |||
| 額定輸入電流A | 2.1 | 3.1 | 6.0 | |
| 輸入電流A | 3.7 | 5.4 | 9.8 | |
| 靜轉矩N·m(kgf·cm) | 0.12 | 0.2 | 0.4 | |
| 起動扭矩N·m(kgf·cm) | 0.15 | 0.24 | 0.5 | |
| 額定轉速r / min | 2500 | |||
| 速度控制范圍r / min | 100?3000 | |||
|
圓軸型J×10-4 kg·m2
容許負載慣性矩
|
1.8 | |||
| 轉子慣性矩J×10-4 kg·m2 | 0.086 | 0.234 | 0.611 | |
|
速度波動率 |
VS負載 | 小于±1%:條件0?額定轉矩,額定轉速,額定接觸壓力,室溫 | ||
| VS電壓 | ±1%以下:條件電源電壓±10%,額定轉速,空載,室溫 | |||
| 靜置溫度 | ±1%以下:條件環境溫度0?+ 40℃,額定轉速,空載,額定電壓 | |||
在2000 r / min或更小時,啟動轉矩的運行時間在5秒鐘之內。
每個規格的值僅是電動機的特性。
| 項目 | 規范 |
| 如何設定轉速 |
●通過外部速度設定器進行設置 ●通過外部直流電壓(DC 0?5V)進行設置 |
| 加減速時間 | 0.5至10秒:2000轉/分鐘 無負載(但是,它可能會根據負載的大小而變化。) |
| 與加速時間和減速時間設定器共同設置 | |
| 輸入信號 | 內部全輸入法,外部輸入電壓2V或更高被識別為HIGH(OFF),所有輸入端口均相同 |
| 輸出信號 | OPEN COLLECTOR輸出,SPEED OUT / ALARM OUT共有,當將外部輸入電壓施加到UI(CTRL)連接器2 PIN時,輸出的是輸出功率,其他為內部5V輸出。 |
| 保護功能 |
當以下保護功能起作用時,將輸出“ CONTROL UNIT ALARM”信號,并且電動機自然停止。 ●過載保護功能:當超過額定轉矩的負載施加到電機上超過約5秒鐘時 ●過載保護功能:當施加到控制單元的電壓超過額定電壓允許范圍的上限時 ●缺相保護功能:電機運行電纜的傳感器線斷開時 ●欠壓保護功能:當施加到控制單元的電壓小于允許的額定電壓范圍的下限時 ●超速保護功能:當電動機轉速超過3500 r / min時 |
| 電機絕緣等級 | E級(120℃) |
| 最大延伸距離 | 電機控制單元之間2m |
| 時間評分 | 連續性 |
在從負載側轉向電機側的應用中(例如降低負載運行),L SERIES無法控制電機的速度。
如果驅動的負載超過允許的負載慣量值,或者在減速負載運行中,過壓保護功能將自然停止電動機。
規格
一般規格
*保護環境是包括運輸過程中的短期價值。
*連接電機和驅動器時,請勿測量絕緣電阻或測試耐壓。
扭矩
*旋轉方向表示與電動機相同的顏色。其他則相反。
如果驅動的負載超過允許的負載慣量值,或者在減速負載運行中,過壓保護功能將自然停止電動機。
規格
一般規格
| 項目 | 發動機 | 控制單元 | |
| 絕緣電阻 | 在室溫和濕度下連續運行后,在線圈和外殼之間用DC 500V MEGA TESTER測量時,應為100?或更大 |
在室溫和濕度下連續運行后,電源輸入和散熱器之間通過DC500V MEGA測量的值必須為100?或更大
|
|
| 絕緣擊穿電壓 |
在室溫和濕度下連續運行后,即使在線圈和外殼之間施加50Hz,AC 0.5kV交流電壓1分鐘也不會出現異常
|
在室溫和濕度下連續運行后,即使在電源輸入和散熱器之間施加50Hz,交流0.5kV交流電1分鐘也沒有問題。
|
|
| 使用環境 | 環境溫度 | 0℃?+ 50℃(不凍結) | |
| 環境濕度 | 85%以下(無露水) | ||
| 海拔 | 海拔1000m以下 | ||
| 周邊環境 | 無腐蝕性氣體,無粉塵,放射性物質,磁場,真空等。 | ||
| 振動 |
不施加連續振動或過度沖擊(基于JIS C 60068-2-6正弦波振動測試方法)頻率范圍:10?55Hz,單振幅:0.15mm,掃描方向:3個方向(X,Y,Z) ),孩子人數:20
|
||
|
最大延長距離 時間額定值 |
環境溫度 | -25?+ 70℃(不凍結) | |
| 環境濕度 | 85%以下(無露水) | ||
| 海拔 | 海拔3000m以下 | ||
| 絕緣級別 | UL,CSA標準A級(105℃),EN標準E級(120℃) | ||
| 防護等級 | IP65 | IP00 | |
*保護環境是包括運輸過程中的短期價值。
*連接電機和驅動器時,請勿測量絕緣電阻或測試耐壓。
扭矩
| 產品 名稱 | 減速比 | 5 | 10 | 15 | 20 | 30 | 50 | 100 | 200 | |
| 速度控制范圍[r / min] | 20?500 | 10?250 | 6.7?167 | 5?125 | 3.3?83 | 2-50 | 1-25 | 0.5?12.5 | ||
| 600 | 300 | 200 | 150 | 100 | 60 | 30 | 15 | |||
| K6LH30N2 + K6HB | 100?2500r / min |
0.54 5.4 |
1.1 11 |
1.6 16 |
2.2 22 |
3.1 31 |
5.2 52 |
6 60 |
6 60 |
|
| 3000r /分鐘 |
0.27 2.7 |
0.54 5.4 |
0.81 8.1 |
1.1 11 |
1.5 15 |
2.6 26 |
5.2 52 |
6 60 |
||
| K8LH50N2 + K8HB | 100?2500r / min |
0.9 9 |
1.8 18 |
2.7 27 |
3.6 36 |
5.2 52 |
8.6 86 |
16 160 |
16 160 |
|
| 3000r /分鐘 |
0.45 4.5 |
0.9 9 |
1.4 14 |
1.8 18 |
2.6 26 |
4.3 43 |
8.6 86 |
16 160 |
||
| K9LH100N2 + K9HB | 100?2500r / min |
1.8 18 |
3.6 36 |
5.4 54 |
7.2 72 |
10.3 103 |
17.2 172 |
30 300 |
30 300 |
|
| 3000r /分鐘 |
0.9 9 |
1.8 18 |
2.7 27 |
3.6 36 |
5.2 52 |
8.6 86 |
17.2 172 |
30 300 |
||
| K6LH30N2 + K6HBTH | 100?2500r / min |
0.48 4.8 |
1 10 |
1.5 15 |
2 20 |
3.1 31 |
5.1 51 |
10.2 102 |
17 170 |
|
| 3000r /分鐘 |
0.24 2.4 |
0.51 5.1 |
0.77 7.7 |
1 10 |
1.5 15 |
2.6 26 |
5.1 51 |
10.2 102 |
||
| K8LH50N2 + K8HBTH | 100?2500r / min |
0.85 8.5 |
1.7 17 |
2.6 26 |
3.4 34 |
5.1 51 |
8.5 85 |
17 170 |
34 340 |
|
| 3000r /分鐘 |
0.43 4.3 |
0.85 8.5 |
1.3 13 |
1.7 17 |
2.6 26 |
4.3 43 |
8.5 85 |
17 170 |
||
| K9LH100N2 + K9HBTH | 100?2500r / min |
1.7 17 |
3.4 34 |
5.1 51 |
6.8 68 |
10.2 102 |
17 170 |
34 340 |
68 680 |
|
| 3000r /分鐘 |
0.85 8.5 |
1.7 17 |
2.6 26 |
3.4 34 |
5.1 51 |
8.5 85 |
17 170 |
34 340 |
||
*旋轉方向表示與電動機相同的顏色。其他則相反。
*從減速機的正面觀察時,其旋轉方向與電動機相反;從減速機的背面觀察時(在電動機安裝表面上),其旋轉方向與電動機相同。
| 產品名稱 | 減速比 | 容許懸空負荷 | 可接受的推力 | ||||||
| 距輸出軸末端10mm | 距輸出軸末端20mm | ||||||||
| ñ | 千克力 | ñ | 千克力 | ñ | 千克力 | ||||
|
齒輪傳動 電機 |
K6LH30N2 + K6HB | 5 | 100 | 10 | 150 | 15 | 40 | 4 | |
| 10-20 | 150 | 15 | 200 | 20 | |||||
| 30?200 | 200 | 20 | 300 | 30 | |||||
| K8LH50N2 + K8HB | 5 | 200 | 20 | 250 | 25 | 100 | 10 | ||
| 10-20 | 300 | 30 | 350 | 35 | |||||
| 30?200 | 450 | 45 | 550 | 55 | |||||
| K9LH100N2 + K9HB | 5 | 300 | 30 | 400 | 40 | 150 | 15 | ||
| 10-20 | 400 | 40 | 500 | 50 | |||||
| 30?200 | 500 | 50 | 650 | 65 | |||||
| K6LH30N2 + K6HBTH | 5-10 | 450 | 45 | 370 | 37 | 200 | 20 | ||
| 15?200 | 500 | 50 | 400 | 40 | |||||
| K8LH50N2 + K8HBTH | 5-10 | 800 | 80 | 660 | 66 | 400 | 40 | ||
| 15?200 | 1200 | 120 | 1000 | 100 | |||||
| K9LH100N2 + K9HBTH | 5-10 | 900 | 90 | 770 | 77 | 500 | 50 | ||
| 15-20 | 1300 | 130 | 1110 | 111 | |||||
| 30?200 | 1500 | 150 | 1280 | 128 | |||||
| 發動機 | K6LS30N2 | 70 | 7 | 100 | 10 |
·請勿施加THRUST負荷,如果不可避免,請將其設定為電動機重量的50%以下。
|
|||
產品名稱中的*包含表示減速比的數字。
*也可以使用計算公式來計算允許的懸垂載荷。
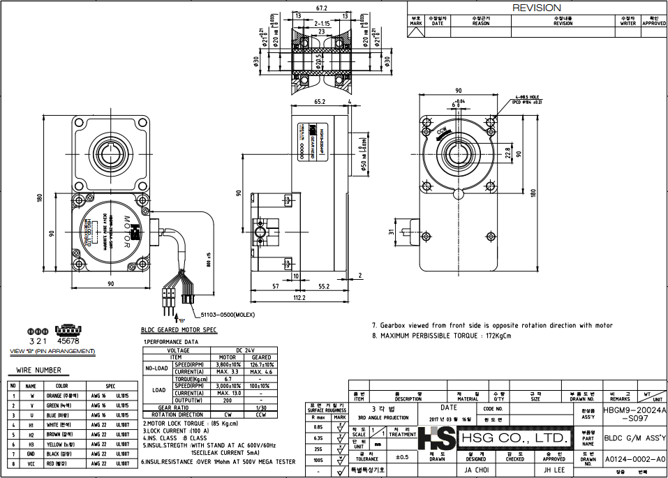
尺寸圖:

產品推薦:兩相步進電機
產品推薦:無刷電機
產品推薦:兩相步進驅動器
產品推薦:直流無刷驅動器




























地址 ADDRESS